產品中心
新聞資訊
聯系我們
聯系人: 陳經理
手機: 152-1660-6588
電話: 152-1660-6588
郵箱: shxinzhili@126.com
地址: 上海市嘉定區春濃路312號
QBY氣動隔膜泵
QBY氣動隔膜泵價格,QBY氣動隔膜泵選型,QBY氣動隔膜泵廠家,QBY氣動隔膜泵定制,QBY氣動隔膜泵多少錢,QBY氣動隔膜泵可選材質:鑄鐵、不銹鋼、工程塑料、鋁合金材質。
一、QBY氣動隔膜泵產品概述:
氣動隔膜泵是一種新型輸送機械,是目前國內最新穎的一種泵類。采用壓縮空氣為動力源,對于各種腐蝕性液體,帶顆粒的液體,高粘度、易揮發、易燃、劇毒的液體,均能予以抽光吸盡。
氣動隔膜泵其有四種材質:塑料、鋁合金、鑄鐵、不銹鋼。隔膜泵根據不同液體介質分別采用丁晴橡膠、氯丁橡膠、氟橡膠、聚四氟乙烯、聚四六乙烯。以滿足不同用戶的需要。
安置在各種特殊場合,用來抽送種常規泵不能抽吸的介質,均取得了滿意的效果。
可選材質:鑄鐵、不銹鋼、工程塑料、鋁合金材質。
二、QBY氣動隔膜泵產品特點
1、不需灌引水,吸程高達7m,揚程達50m,出口壓力≥6kgf/cm2;
2、流動寬敞,通過性能好,允許通過大顆粒直徑達10mm。抽送泥漿、雜質時,對泵磨損甚微;
3、揚程、流量可通過氣閥開度實現無級調節(氣壓調節在1-7kgf/cm2之間);
4、該泵無旋轉部件,沒有軸封,隔膜將抽送的介質與泵的運動部件、工作介質完全隔開;
所輸送的介質不會向外泄漏。所以抽送有毒、易發揮或腐蝕性介質時;
不會造成環境污染和危害人身安全;
5、不必用電,在易燃、易爆場所使用安全可靠;
6、可以浸沒在介質中工作;
7、作用方便、工作可靠、開停只需簡單地打開和關閉氣體閥門;
即使由于意外情況而長時間無介質運行或突然停機,泵也不會因此而損壞;
不旦超負荷,泵會自動地停機,具有自我保護性能,當負荷恢復正常后,又有自動啟動運行;
8、結構簡單、易損件少,該泵結構簡單安裝、維修方便;
泵輸送的介質不會接觸到配氣閥,聯桿等運動件;
不象其他類型的泵因轉子、活塞、齒輪、葉片等部件的磨損而使性能逐步下降;
9、可輸送較粘的液體(粘度在1萬厘泊以下);
10、本泵無須用油潤滑,即使空轉,對泵也無任何影響,這是該泵一大特點。
三、QBY氣動隔膜泵產品用途
1、泵吸花生醬、泡菜、土豆泥、小紅腸、果醬蘋果漿、巧克力等。
2、泵吸油漆、樹膠、顏料。
3、粘合劑和膠水、全部種類可用泵吸取。
4、各種瓦、瓷、磚器及陶器釉漿。
5、油井鉆好后,用泵吸沉積物及灌漿。
6、泵吸各種乳劑和填料。
7、泵吸各種污水。
8、用泵為油輪,駁船清倉吸取倉內污水。
9、啤酒花及發酵粉稀漿、糖漿、糖密。
10、泵吸礦井、坑道、隧道、選礦、礦渣中的積水。
泵吸水泥灌漿及灰漿。
11、各種橡膠漿。
12、各種磨料、腐蝕劑、石油及泥漿、清洗油垢及一般容器。
13、各種劇毒、易燃、易揮發液體。
14、各種強酸、強堿、強腐蝕液體。
15、各種高溫液體高可耐150℃。
16、作為各種固液體分離設備的前級送壓裝置。
四、QBY氣動隔膜泵選型產品技術參數

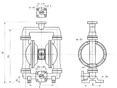
五、QBY氣動隔膜泵安裝尺寸


- 上一個:QBK氣動隔膜泵
- 下一個:沒有了


客服1